产品
产品
YKS系列大功率高压电动机主要应用于钢铁、造纸、冶金、制药等重工业领域,这些领域通常需要在高温、高湿、高负荷等恶劣环境下设备稳定运行。高压空水冷电机凭借优异的散热性能和耐用性,能够满足这些特殊环境的需求。
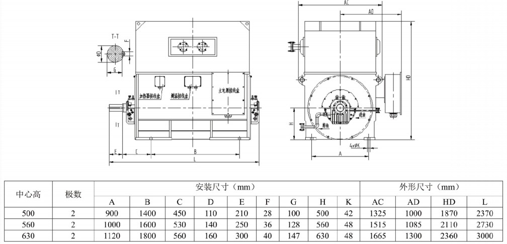
YKS系列大功率高压电动机
产品简介
电动机是机械设备中常见的动力系统,其存在温度限制,当温度过高时会导致电机损坏,因此电机必须采取一些措施来降低温度。最有效的方法是通过空水冷却系统来降低电机温度。
高压空水冷电机相比传统全封闭水冷或风冷电机有哪些优势?
• 卓越的散热性能
空水冷却系统结合了风冷和水冷系统的优点,能在高负荷运行时快速有效降低电机温度。风冷部分可快速散发大量热量,而水冷系统则稳定带走余热,确保电机在长期高负荷运行时的稳定性。
• 节能环保
相比全封闭水冷系统,YKS系列大功率高压电动机能在一定程度上降低能耗。尤其在环境温度较低时,可依靠风冷实现良好散热,减少对冷却水或其他冷却介质的依赖,节约能源并降低运行成本。
• 运行稳定性高
空水冷却系统设计合理,能有效控制电机温度,避免因过热导致的性能下降或损坏,确保电机长期稳定运行。
• 适应性强
YKS系列大功率高压电动机适应范围广,可在不同环境条件下工作,包括高温、高湿等恶劣环境,同时仍能保持良好的散热和稳定的性能。
• 维护简便
相比全封闭水冷系统,空水冷却系统维护更为便捷。风冷部分通常无需额外冷却液维护,而水冷部分的水循环系统相对简单,更易于维护。
空水冷高压电机结合了风冷和水冷系统的优点,不仅提高了散热效率和运行稳定性,还具有节能环保、适应性强、维护简便等优势,因此在工业和商业应用中具有广阔的前景和优势。
• 铝厂
• 钢厂
• 轧机
• 发电厂









*我们尊重您的隐私,所有信息都将受到保护。